Security Alarm System
NOTE: This applies to EX and EX-L models.
The security alarm system is armed automatically after the doors, hood, and tailgate are closed and locked. For the system to arm, the ignition switch must be off, the key must be removed from the ignition switch, and the MICU must receive signals that the doors, hood, and tailgate are closed and locked. The alarm can be disarmed at any time by unlocking the driver's door with the key or pressing the UNLOCK button on the transmitter.
When everything is closed and locked, the only inputs that are grounded, and have 0 V, are the driver's door lock knob switch (LOCK position), and the audio unit or navigation unit (if equipped). In other words, all of the other switches are open, and have about 10 to 12 V, including the key cylinder switches. The security indicator in the gauge control module begins to flash immediately after the vehicle is completely closed and locked, and 15 seconds later, the security system arms. If the security indicator does not flash, the system is not arming. A beep sounds and the parking lights flash to confirm the security alarm system is armed if the LOCK button is pressed a second time within 5 seconds.
If one of the switches is misadjusted or shorted internally, or there is a short in the circuit, the security system will not arm. As long as the control unit continues to receive a ground signal (0 V), it senses that the vehicle is not closed and locked, and the system will not arm. A switch that is slightly misadjusted can cause the alarm to sound for no apparent reason. In this case, a significant change in outside air temperature, the vibration of a passing truck, or someone bumping into the vehicle could cause the alarm to sound. There is no glass breakage or motion detector feature.
If anything is opened or improperly unlocked after the system is armed, the control unit receives a ground signal from that switch, and the 10 to 12 V reference drops to 0 V. If the audio unit or navigation unit (if equipped) is disconnected, the input loses its ground, and the input voltage goes to 10 to 12 V. The system sounds the alarm when any of these occur:
When the system sounds the alarm, the horn sounds and the exterior lights flash for 2 minutes. The alarm can be stopped at any time by unlocking the driver's door with the key or by pressing any button on the transmitter.
Panic Mode
The panic mode sounds the alarm in order to attract attention. When the PANIC button on the transmitter is pressed and held for 2 seconds, the horn sounds and the exterior lights flash for about 20 seconds.
The panic mode can be cancelled at anytime by pressing any button on the transmitter or by turning the ignition switch ON (II). The panic mode will not function if the ignition switch is ON (II).
Keyless Entry System
The keyless entry system is integrated with the multiplex integrated control system. The multiplex integrated control unit (MICU) receives LOCK, UNLOCK and PANIC signals from the immobilizer-keyless control unit (keyless receiver).
The keyless entry system allows you to lock and unlock the vehicle with the transmitter. When you press the LOCK button, all doors lock. When you press the UNLOCK button once, only the driver's door unlocks. The other doors will unlock when you press the button a second time. The doors will not lock with the transmitter if a door is not fully closed, or if the key is in the ignition switch.
When the switch for the ceiling light is in the center (DOOR) position, it will come on when the UNLOCK button is pressed. If a door is not opened, the light will go off and the doors will relock in about 30 seconds. If the doors are locked with the transmitter within 30 seconds, the light will go off immediately.
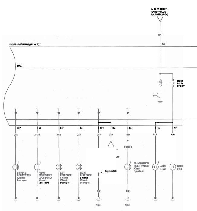
Circuit Diagram




DTC Troubleshooting
Symptom Troubleshooting
Door Lock
Automatic Transmission Fluid
Rear Differential Fluid Inspection and
Replacement