Component Location Index


Circuit Diagram


Function Test
1. Remove the power mirror switch.
2. Disconnect the 13P connector (A) from the power mirror switch (B).

3. Choose the appropriate test based on the symptom:
Both mirrors
4. Check for voltage between the No.2 terminal and body ground with the ignition switch ON (II).
There should be battery voltage.
An open in the BRN wire.
5. Check for continuity between the No.6 terminal and body ground.
There should be continuity.
Left mirror
6. Connect the No.2 and No. 10 terminals, and the No.5 (or No. 12) and No.6 terminals with jumper wires.
The left mirror should tilt down (or swing left) with the ignition switch ON (II).
If the wire is OK, check the left mirror actuator.
Right mirror
7. Connect the No. 2 and No. 11 terminals, and the No.5 (or No. 13) and No.6 terminals with jumper wires. The right mirror should tilt down (or swing left) with the ignition switch ON (II).
If the wire is OK, check the right mirror actuator.
Defogger
8. Connect the power mirror defogger relay No.1 and No.2 terminals with a jumper wire, and check for voltage between the No.1 terminal of the mirror connectors and body ground. There should be battery voltage and both mirrors should warm up with the ignition switch ON (II).
Power Mirror Switch Test/Replacement
1. Remove the driver's dashboard lower cover.
2. Push the driver's switch panel (A) out from the dashboard, and disconnect the connectors (B).

3. Check for continuity between the terminals in each switch position according to the table.

4. If the continuity is not as specified, replace the switch.
5. Install the switch in the reverse order of removal.
Power Mirror Actuator Test
1. Remove the door panel.
2. Disconnect the 6P connector (A) from the power mirror actuator.

3. Check actuator operation by connecting power and ground according to the table.

4. If the mirror fails to work properly, replace the power mirror actuator.
Defogger Test
5. Check for continuity between the power mirror actuator 6P connector NO.1 and No.2 terminals.
There should be continuity. If there is no continuity, check for an open in the wire between the mirror actuator 6P connector and the mirror holder terminals. If the wire harness is OK, replace the mirror holder.
Power Mirror Actuator Replacement
Removal
1. Remove the mirror holder.
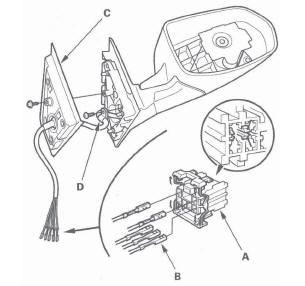
2. Remove the power mirror, and disconnect the power mirror 6P connector from the door wire harness.
3. Record the power mirror 6P connector (A) terminal locations and wire colors.

4. Disassemble the power mirror 6P connector, and remove all terminals (B) from the connector.
5. Remove the screw and the gasket (C).
6. Remove the screw and the harness clip (D).
7. Remove the cover (A).

8. Remove the three screws, and separate the mirror housing (B) from the bracket (C).
9. Remove the screws and the actuator (A).

Installation
1. Route the wire harness (A) of a new actuator through the hole in the bracket (B) and gasket (C).

2. Install the parts in the reverse order of removal.
3. Insert the new actuator terminals into the connector in the original arrangement.

4. Apply tape to seal the intersection of the wire harness and the gasket.
5. Reassemble in the reverse order of disassembly.
NOTE: Be careful not to break the mirror when reinstalling it to the actuator.
6. Reinstall the mirror assembly on the door.
7. Operate the power mirror to ensure smooth operation.
Seat Heaters
Rear Window Defogger
Immobilizer System
DTC P1683: Throttle Valve Default Position
Spring Performance Problem
General Troubleshooting Information