Front Door Panel Removal/Installation
Special Tools Required
* Available through the American Honda Tool and Equipment Program; call 888-424-6857
NOTE:
1. Raise the glass fully.
2. Using the appropriate trim tool, pry out on the under portion of the inner handle cap (A) to release the hooks (B, C).

3. Remove the screws from the inner handle (A).

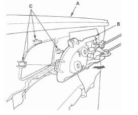
4. Using the appropriate trim tool, pry out on the upper cap (A) of the front door grip to release the hooks (B). Then remove the screw (C).

5. Using the appropriate trim tool, pry out on the lower cap (D) of the front door grip to release the hooks (E). Then remove the screw (F).
6. Using the appropriate trim tool, pry out on the cover (A) in the door pocket to release the hooks (B).
Then remove the cover, and screw.

7. Remove the mirror mount cover.
8. Remove the door panel (A) with as little bending as possible to avoid creasing or breaking it.
NOTE: The inner handle cable and latch cable are connected to the inner handle (D). Do not pull the door panel up too far, or these cables will be damaged.

9. While holding the door panel (A) away from the door, remove the inner handle (B) from the door panel by detaching the clips (C). Remove the door panel.

10. Disconnect the power window switch connector (A).

11. If necessary, disconnect the inner handle cable (A) and the latch cable (B) from the inner handle (C), then remove the handle.
NOTE: Check for damaged or stress-whitened cable fasteners.

12. Install the door panel in the reverse order of removal. and note these items:

Front Door Outer Handle Replacement
NOTE: Put on gloves to protect your hands.
1. Raise the glass fully.
2. Remove the door panel.
3. Remove the plastic cover (A).

4. Detach the rod fastener (A).

5. Remove the maintenance cap (A). With a clip remover, disconnect the outer handle rod (B).

6. Pull both side flanges (A) of the retainer (B) outward, and pull the middle flange portion (C) of the outer casing cover (D) out, then disconnect the cylinder cable (E) from the latch (F).

7. Remove the bolt, then remove the spacer (A).

8. Remove the bolt securing the outer handle protector (A), then remove the protector by releasing the hook (B).

9. While pulling the outer handle (A), remove the handle from the holes in the door panel. Take care not to scratch the door.

10. If necessary, remove the special screws, then separate the door cylinder (A) and outer handle protector (B). If the retainer (C) is damaged, release the hooks (D), and replace it.
NOTE: If removed, the special screws must be replaced.

11. Remove the rod fastener (A) from the outer handle (B), then replace it with a new one.

Front Door Latch Replacement
NOTE: Put on gloves to protect your hands.
1. Raise the glass fully.
2. Remove the door panel.
3. Remove the inner handle (see step 2 ).
4. Remove the plastic cover, as needed.
5. Detach the rod fastener (see step 4 ).
6. Disconnect the outer handle rod from the outer handle (see step 5).
7. Pull the glass run channel (A) away as needed, and remove the bolt, then remove the center lower channel (B) by pulling it downward.
Take care not to bend, deform or damage the center lower channel.

8. Disconnect the cylinder cable from the latch (see step 6).
9. Remove the screws (A, B) securing the latch (C), then remove the latch through the hole in the door.
Take care not to bend the outer handle rod (D).
latch cable (E), and inner handle cable (F).

10. Remove the screws, then remove the latch protector (A).

11. Detach the latch cable (A) from the latch (B).

12. Detach the cable fastener (C), then disconnect the inner handle cable (D) from the cable fastener.
NOTE: Check for damaged or stress-whitened cable fasteners.
13. Install the latch in the reverse order of removal, and note these items:
Front Door Glass and Regulator Replacement
NOTE: Put on gloves to protect your hands.
1. Remove the door panel.
2. Remove the plastic cover (A).

3. Carefully raise the glass (A) until you can see the bolts, then remove them. Carefully pull the glass out through the window slot. Take care not to drop the glass inside the door.

4. Disconnect the connector (A) from the regulator (B).

5. Remove the bolts (C), and loosen the bolt (D), then remove the regulator through the hole in the door.
6. Apply multipurpose grease to all the sliding surfaces of the regulator (A) where shown.

7. Install the glass and regulator in the reverse order of removal and note these items:
Front Door Glass Outer Weatherstrip Replacement
NOTE:
1. Remove these items:
Power mirror
2. Slide the clips (A) to release the hooks (B) from the flanges (C) of the door panel.

3. Release the front hook (D) and rear hook (E) from inside of the door, then remove the weatherstrip (F).
4. Install a new weatherstrip in the reverse order of removal, and note these items:
Front Door Outer Molding Replacement
Special Tools Required
KTC trim tool set SOJATP2014 *
* Available through the American Honda Tool and Equipment Program; call 888-424-6857
NOTE:
1. Remove the power mirror. To prevent scratching the power mirror and door, wrap the power mirror with a shop towel.
Disconnecting the power mirror connector is not required.
2. Remove the door outer molding (A).

3. Scrape off the remaining double-sided adhesive tape from the sash, then clean the sash surface with a sponge dampened in isopropyl alcohol.
4. Install a new door outer molding in the reverse order of removal. and note these items:
Front Door Weatherstrip Replacement
NOTE:
1. At the A-pillar, remove the door checker mounting bolt (A).

2. Detach the clips (B, C, D), then remove the door weatherstrip (E).
3. Install the weatherstrip in the reverse order of removal, and note these items:
Rear Door
Mirrors
Glass
Remote Audio Controls
DTC 45-1x ("x" can be 0 thru 9 or A thru F):
No Signal From the Left Side Impact Sensor
(second)